Governing Through Technology

Media and the Government of Populations: Communication, Technology, Power (Repost)  eBooks & eLearning

Posted by AvaxGenius at Aug. 26, 2018
Media and the Government of Populations: Communication, Technology, Power (Repost)

Media and the Government of Populations: Communication, Technology, Power by Philip Dearman
English | PDF,EPUB | 2018 | 240 Pages | ISBN : 1137347724 | 3.71 MB

This book deals with the social, cultural and especially political significance of media by shifting from the usual focus on the public sphere and publics and paying attention to populations. It describes key moments where populations of different sorts have been subject to formative and diverse projects of governing, in which communication has been key.

A Practical Guide to Compressor Technology (Repost)  eBooks & eLearning

Posted by step778 at Jan. 18, 2019
A Practical Guide to Compressor Technology (Repost)

Heinz P. Bloch, "A Practical Guide to Compressor Technology"
2006 | pages: 573 | ISBN: 0471727938 | PDF | 28,7 mb

Applied Flow Technology Arrow v4.0.2010.07.20  Software

Posted by Artist14 at July 24, 2010
Applied Flow Technology Arrow v4.0.2010.07.20

Applied Flow Technology Arrow v4.0.2010.07.20 | 28.2 Mb

Applied Flow Technology Arrow 4.0 provides comprehensive, compressible pipe flow analysis and system modeling capabilities combined with ease-of-use. Addressing open and closed loop systems, AFT Arrow includes a built-in library of fluids and fittings, variable model configurations, fan/compressor and control valve modeling and much more. With the optional Chempak add-in, a thermo-physical database of approximately 600 gases is available to further expand the envelope of your analysis and design. AFT Arrow goes beyond the boundaries of fluid flow analysis, with thermal analysis capabilities including piping heat transfer, heat exchanger modeling and varying fluid properties.

A Practical Guide to Compressor Technology (repost)  eBooks & eLearning

Posted by tot167 at Nov. 13, 2010
A Practical Guide to Compressor Technology (repost)

Heinz P. Bloch, "A Practical Guide to Compressor Technology"
W–y-Int-ce | 2006 | ISBN: 0471727938 | 574 pages | PDF | 28,3 MB

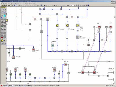
Applied Flow Technology Fathom 7.0.2009.11.02-EAT  Software

Posted by mirrorist at Nov. 13, 2009
Applied Flow Technology Fathom  7.0.2009.11.02-EAT

Applied Flow Technology Fathom 7.0.2009.11.02 | 32.4 MB | win

AFT Fathom 7.0 provides comprehensive,incompressible pipe flow analysis and system modeling capabilities combined with ease-of-use.Addressing open and closed loop systems,AFT Fathom includes a built-in library of fluids and fittings, variable model configurations, pump and control valve modeling and much more. With the optional Chempak add-in, a thermo-physical database of over 600 fluids is available to further expand the envelope of your analysis and design.AFT Fathom goes beyond the boundaries of traditional pipe flow analysis, with thermal analysis capabilities including piping heat transfer,heat exchanger modeling and varying fluid properties.

Applied Flow Technology Arrow v4.0.2011.03.31  Software

Posted by }|{yk at July 3, 2011
Applied Flow Technology Arrow v4.0.2011.03.31

Applied Flow Technology Arrow v4.0.2011.03.31 | 26.31 Mb

Compressible Pipe Flow Network Analysis. AFT Arrow 4.0 provides comprehensive, compressible pipe flow analysis and system modeling capabilities combined with ease-of-use. Addressing open and closed loop systems, AFT Arrow includes a built-in library of fluids and fittings, variable model configurations, fan/compressor and control valve modeling and much more. With the optional Chempak add-in, a thermo- physical database of approximately 600 gases is available to further expand the envelope of your analysis and design. AFT Arrow goes beyond the boundaries of fluid flow analysis, with thermal analysis capabilities including piping heat transfer, heat exchanger modeling and varying fluid properties.
Discovery Channel - Through the Wormhole: Series 1 (2011) (Repost)

Discovery Channel - Through the Wormhole: Series 1 (2011) (Repost)
BDRip | English | MKV (H264) 25.000 fps 2526 Kbps | 1280x720 | AC3 128 Kbps 48.0 khz | 8x44mn | 2x851 MB
Genre: Documentary

Academy Award-winning actor and space enthusiast Morgan Freeman executive produces hosts and narrates this exploration of the greatest mysteries of the universe.

Emerging Trends in Leather Science and Technology  eBooks & eLearning

Posted by hill0 at Aug. 31, 2024
Emerging Trends in Leather Science and Technology

Emerging Trends in Leather Science and Technology
English | 2024 | ISBN: 9819997534 | 472 Pages | PDF EPUB (True) | 116 MB

Architectural Success Through Togaf 9.2 Essentials  eBooks & eLearning

Posted by ELK1nG at Aug. 6, 2024
Architectural Success Through Togaf 9.2 Essentials

Architectural Success Through Togaf 9.2 Essentials
Published 8/2024
MP4 | Video: h264, 1920x1080 | Audio: AAC, 44.1 KHz
Language: English | Size: 798.00 MB | Duration: 1h 46m

Build Strong Foundations, Enterprise Architecture for Success, Ultimate Training and Strategies. || UNOFFICIAL ||

Applied Flow Technology Fathom v7.0.2010.06.29  Software

Posted by }|{yk at July 4, 2010
Applied Flow Technology Fathom v7.0.2010.06.29

Applied Flow Technology Fathom v7.0.2010.06.29 | 34.17 MB

The most comprehensive system modeling software available with powerful incompressible pipe network flow analysis, heat transfer, time simulation, automatic goal seeking, cost calculations and built-in tools for modeling a wide range of piping system components.